Uchwyty do przewodów i przyłączy NN
OSPRZĘT DO LINII NAPOWIETRZNYCH NN
Uchwyty do przewodów i przyłączy nn
Kompletna linia rozwiązań montażowych dla niskiego napięcia: od uchwytów końcowych i przelotowych, przez haki i dystanse, po systemy do słupów wirowanych. Trwałość, bezpieczeństwo, zgodność z normami.
Uchwyty końcowe
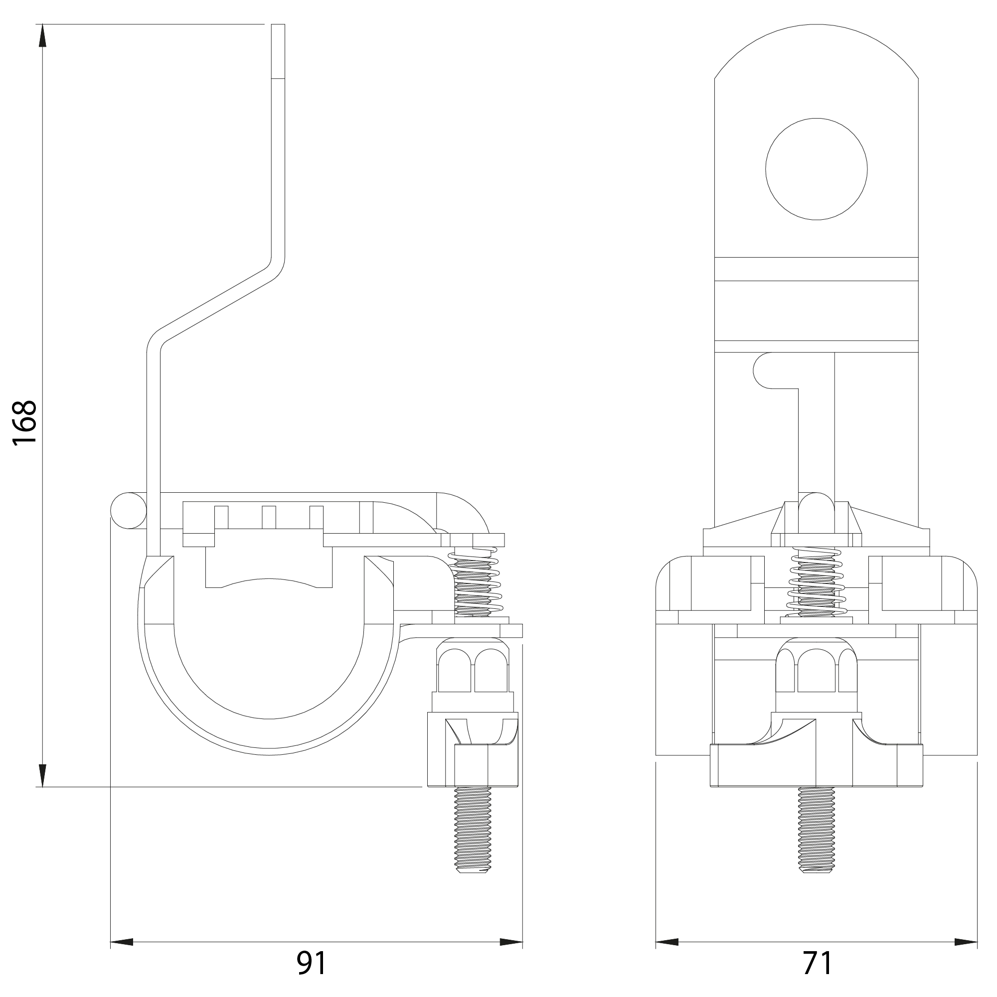
Z101 ● Uchwyt końcowy przyłącza 2×16-35



BUDOWA:
Uchwyt końcowy przyłącza 2×16-35 składa się z następujących elementów:
- Zaczep – stal cynkowana ogniowo.
- Części dociskowe – nowa generacja tworzyw sztucznych odpornych na promieniowanie UV oraz wpływy atmosferyczne.
- Śruba M8 – o odpowiedniej wytrzymałości cynkowana ogniowo.
- Sprężyny z drutu sprężynowego, cynkowane.
ZASTOSOWANIE:
Stosowany w systemach izolowanych elektroenergetycznych w przewodach napowietrznych AsXS(n). Służą do zamocowania tych przewodów do ścian budynków i słupów za pomocą standardowych haków.
PARAMETRY TECHNICZNE:
Przekrój poprzeczny przewodu 2×16-35, moment dokręcania 22 Nm i dopuszczalne obciążenie 7 kN.
|
Numer katalogowy 264_e05ad4-79> |
Przekrój poprzeczny przewodu 264_3c1028-70> |
Moment dokręcania 264_7d2fb8-ae> |
Opakowanie szt. 264_f6e746-ba> |
Minimalna siła zrywająca (MBL) 264_8a3de9-08> |
Waga kg/szt. 264_6c0df4-77> |
|
Z101 264_2d7095-cd> |
2x(16-35) 264_d6b8f4-31> |
22 Nm 264_907d33-34> |
100 264_2808d1-2a> |
7 kN 264_748977-56> |
0,25 264_f246d2-d5> |
Z102 ● Uchwyt końcowy przyłącza 4×16-35



BUDOWA:
Uchwyt końcowy przyłącza 4×16-35 składa się z następujących elementów:
• Zaczep – stal cynkowana ogniowo.
• Części dociskowe – nowa generacja tworzyw sztucznych odpornych na promieniowanie UV oraz wpływy atmosferyczne.
• Śruba M8 – o odpowiedniej wytrzymałości cynkowana ogniowo.
• Sprężyny z drutu sprężynowego, cynkowane.
ZASTOSOWANIE:
Stosowany w systemach izolowanych elektroenergetycznych w przewodach napowietrznych AsXS(n). Służą do zamocowania tych przewodów do ścian budynków i słup.w za pomocą standardowych haków.
PARAMETRY TECHNICZNE:
Przekrój poprzeczny przewodu 4×16-35, moment dokręcania 22 Nm i dopuszczalne obciążenie 14 kN.
|
Numer katalogowy 264_7c6b48-c7> |
Przekrój poprzeczny przewodu 264_e3ae64-ee> |
Moment dokręcania 264_974e2f-74> |
Opakowanie szt. 264_396481-ba> |
Minimalna siła zrywająca (MBL) 264_de6f64-73> |
Waga kg/szt. 264_273fd6-90> |
|
Z102 264_e47db3-6e> |
4x(16-35) 264_49ff06-62> |
22 Nm 264_74ce6a-a4> |
100 264_bff5b6-0d> |
14 kN 264_fecb7c-82> |
0,27 264_efa3eb-26> |
Z4031 ● Uchwyt końcowy 2×25-35



BUDOWA:
• Elementy nośne uchwytu wykonane są ze stali stopowej, cynkowanej ogniowo.
• Elementy podtrzymujące przewód wykonane są z nowej generacji tworzyw sztucznych odpornych na promieniowanie UV oraz wpływy atmosferyczne.
• Tworzywo jest odporne na warunki atmosferyczne i promieniowanie UV
ZASTOSOWANIE:
Stosowany w systemach izolowanych elektroenergetycznych w przewodach napowietrznych AsXS(n). Służą do zamocowania tych przewodów do słupów za pomocą standardowych haków.
PARAMETRY TECHNICZNE:
Przekrój poprzeczny przewodu 2×25-35, dopuszczalne obciążenie 10 kn.
|
Numer katalogowy 264_ae4dd5-63> |
Przekrój poprzeczny przewodu 264_a74fc6-ec> |
Moment dokręcania 264_194a71-f4> |
Minimalna siła zrywająca (MBL) 264_0c7943-b4> |
Waga kg/szt. 264_4f699d-ed> |
|
Z4031 264_a13b09-06> |
2x(25-35) 264_2b9b73-9d> |
44 Nm 264_56f5cc-8f> |
10 kN 264_9f870d-59> |
0,74 264_f9ae72-85> |
Z403 ● Uchwyt końcowy 4×25-50
Z404 ● Uchwyt końcowy 4×70-120


BUDOWA:
• Elementy podtrzymujące przewód wykonane są z nowej generacji tworzyw sztucznych odpornych na promieniowanie UV oraz wpływy atmosferyczne.
• Elementy przytrzymujące przewód wykonane są z tworzywa sztucznego.
ZASTOSOWANIE:
Stosowany w systemach izolowanych elektroenergetycznych w przewodach napowietrznych AsXS(n). Służą do zamocowania tych przewodów do słupów
za pomocą standardowych haków.
PARAMETRY TECHNICZNE:
Przekrój poprzeczny przewodu 4×25-50, dopuszczalne obciążenie 10 kN. Przekrój poprzeczny przewodu 4×70-120, dopuszczalne obciążenie 16 kn.
|
Numer katalogowy 264_59e27d-0b> |
Przekrój poprzeczny przewodu 264_6f78cc-3d> |
Moment dokręcania 264_307e11-b9> |
Minimalna siła zrywająca (MBL) 264_d892bf-b7> |
Waga kg/szt. 264_b04a19-2d> |
|
Z403 264_ebdfae-ff> |
4x(25-50) 264_ac4f09-ab> |
44 Nm 264_62b68a-65> |
10 kN 264_9b63b1-42> |
0,90 264_636a78-4e> |
|
Z404 264_b737a7-e1> |
4x(70-120) 264_eee54a-0f> |
44 Nm 264_e29358-1b> |
16 kN 264_f0dabb-d8> |
1,28 264_ddf0bf-4a> |
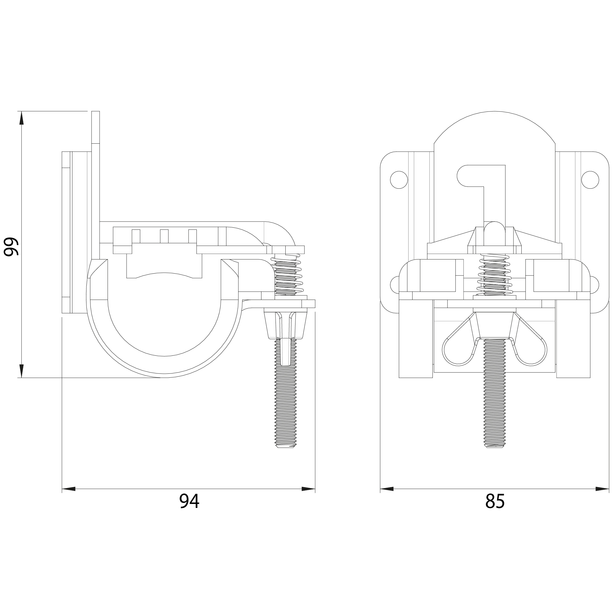
Z201 ● Uchwyt końcowy przyłącza 2×16-35


Z201Z ● Uchwyt końcowy przyłącza 2×16-35


BUDOWA:
Uchwyt końcowy przyłącza 2×16-35 składa się z następujących elementów:
• Obejma – kształtownik aluminiowy ze specjalnego stopu – odporny na korozję.
• Zaczep – stal cynkowana ogniowo.
• Części dociskowe – nowa generacja tworzyw sztucznych odpornych na promieniowanie UV oraz wpływy atmosferyczne.
• Śruba M8 – o odpowiedniej wytrzymałości cynkowana ogniowo.
• Sprężyny z drutu sprężynowego, cynkowane.
ZASTOSOWANIE:
Stosowany w systemach izolowanych elektroenergetycznych w przewodach napowietrznych AsXS(n). Służą do zamocowania tych przewodów do ścian budynków i słupów za pomocą standardowych haków.
PARAMETRY TECHNICZNE:
Przekrój poprzeczny przewodu 2×16-35, moment dokręcania 22 Nm dopuszczalne obciążenie 7,7 kN.
|
Numer katalogowy 264_8d9636-74> |
Przekrój poprzeczny przewodu 264_f2488b-44> |
Moment dokręcania 264_9680fd-73> |
Opak. szt. 264_828955-21> |
Minimalna siła zrywająca (MBL) 264_269f67-5b> |
Waga kg/szt. 264_9c4d7e-ff> |
|
Z201 264_cacee3-3a> |
2x(16-35) 264_026f4e-a4> |
22 Nm 264_f9f423-5a> |
100 264_b7b3ed-52> |
12 kN 264_b67a49-16> |
0,16 264_ac8c16-00> |
|
Z201Z 264_17ad6f-74> |
2x(16-35) 264_f3267e-f8> |
22 Nm 264_5411be-37> |
100 264_06bbee-54> |
12 kN 264_9a0a03-b7> |
0,16 264_d63bbc-f8> |
Z202 ● Uchwyt końcowy przyłącza 4×16-35


Z202Z ● Uchwyt końcowy przyłącza 4×16-35


BUDOWA:
Uchwyt końcowy przyłącza 4×16-35 składa się z następujących elementów:
• Obejma – kształtownik aluminiowy ze specjalnego stopu – odporny na korozję.
• Zaczep – stal cynkowana ogniowo.
• Części dociskowe – nowa generacja tworzyw sztucznych odpornych na promieniowanie UV oraz wpływy atmosferyczne.
• Śruba M8 – o odpowiedniej wytrzymałości cynkowana ogniowo.
• Sprężyny z drutu sprężynowego, cynkowane.
ZASTOSOWANIE:
Stosowany w systemach izolowanych elektro – energetycznych w przewodach napowietrznych AsXS(n). Służą do zamocowania tych przewodów do ścian budynków i słupów za pomocą standardowych haków.
PARAMETRY TECHNICZNE:
Przekrój poprzeczny przewodu 4×16-35, moment dokręcania 22 Nm i dopuszczalne obciążenie 12,2 kN.
|
Numer katalogowy 264_4637c6-c3> |
Przekrój poprzeczny przewodu 264_bb0534-18> |
Moment dokręcania 264_24bf02-63> |
Opak. |
Minimalna siła |
Waga |
|
Z202 264_9a1343-da> |
4x(16-35) 264_576a9c-39> |
22 Nm 264_5cbaf3-a6> |
100 264_d367e6-3c> |
23 kN 264_6f8edb-b5> |
0,17 264_3cb40b-64> |
|
Z202Z 264_5a78e9-70> |
4x(16-35) 264_24d5dd-6b> |
22 Nm 264_c8b4bf-94> |
100 264_98cc72-61> |
23 kN 264_3215af-fa> |
0,17 264_7b70b7-91> |
ZD201 ● Uchwyt końcowy przyłącza 2×16-35


ZD201Z ● Uchwyt końcowy przyłącza 2×16-35


BUDOWA:
Uchwyt końcowy przyłącza 2×16-35 składa się z następujących elementów:
• Zaczep – stal nierdzewna.
• Części dociskowe – nowa generacja tworzyw sztucznych odpornych na promieniowanie UV oraz wpływy atmosferyczne.
• Śruba M8 – o odpowiedniej wytrzymałości cynkowana ogniowo.
• Sprężyny z drutu sprężynowego, cynkowane.
ZASTOSOWANIE:
Stosowany do zamocowania przewodów izolowanych w systemach elektro-energetycznych w linii napowietrznej AsXS(n). Mocowany do ścian budynków i słupów za pomocą standardowych haków.
|
Numer katalogowy 264_be4903-7e> |
Przekrój poprzeczny przewodu 264_fa7724-51> |
Moment dokręcania 264_faa6cc-a5> |
Opak. |
Minimalna siła |
Waga |
|
ZD201 264_d53d18-4f> |
2x(16-35) 264_7634dd-bf> |
22 Nm 264_d5d9c6-c7> |
100 264_0e6376-c1> |
23 kN 264_3d726f-f8> |
0,173 264_db5793-75> |
|
ZD201Z 264_8ee2f9-2d> |
2x(16-35) 264_9f850f-fa> |
22 Nm 264_d9fefb-45> |
100 264_2bb8d2-88> |
23 kN 264_ac19d2-a0> |
0,173 264_ff5c97-b0> |
ZD202 ● Uchwyt końcowy przyłącza 4×16-35


ZD202Z ● Uchwyt końcowy przyłącza 4×16-35


BUDOWA:
Uchwyt końcowy przyłącza 4×16-35 składa się z następujących elementów:
• Zaczep – stal nierdzewna.
• Części dociskowe – nowa generacja tworzyw sztucznych odpornych na promieniowanie UV oraz wpływy atmosferyczne.
• Śruba M8 – o odpowiedniej wytrzymałości cynkowana ogniowo.
• Sprężyny z drutu sprężynowego, cynkowane.
• Uchwyt jest wyposażony w nakrętkę zrywalną.
ZASTOSOWANIE:
Stosowany do zamocowania przewodów izolowanych w systemach elektro-energetycznych w linii napowietrznej AsXS(n). Mocowany do ścian budynków i słupów za pomocą standardowych haków.
|
Numer katalogowy 264_956bbd-40> |
Przekrój poprzeczny przewodu 264_8200c6-d1> |
Moment dokręcania 264_40f57e-68> |
Opak. |
Minimalna siła zrywająca (MBL) 264_e86a17-a3> |
Waga kg/szt. 264_fc8b47-e0> |
|
ZD202 264_9c6d3d-9a> |
4x(16-35) 264_3dd3c9-0c> |
22 Nm 264_33b2bb-4c> |
100 264_1b2253-3b> |
23 kN 264_a0e0a5-2e> |
0,27 264_78d27e-a0> |
|
ZD202Z 264_636a50-ca> |
4x(16-35) 264_3add38-3a> |
22 Nm 264_ac3bcf-04> |
100 264_8e8899-c4> |
23 kN 264_a706b2-e0> |
0,27 264_ae3fc0-88> |
SPIN402 ● Uchwyt końcowy 2×25-35


SPIN402Z ● Uchwyt końcowy 2×25-35


BUDOWA:
• Elementy nośne uchwytu wykonane są ze stali stopowej, cynkowane.
• Elementy podtrzymujące przewód wykonane są z nowej generacji tworzyw sztucznych odpornych na promieniowanie UV oraz wpływy atmosferyczne, które to umieszczono w obudowach wykonanych ze specjalnego, odpornego na korozję aluminium.
ZASTOSOWANIE:
Stosowany w systemach izolowanych elektroenergetycznych w przewodach napowietrznych AsXS(n). Służą do zamocowania tych przewodów do słupów za pomocą standardowych haków.
PARAMETRY TECHNICZNE:
Przekrój poprzeczny przewodu 2×25-35 dopuszczalne obciążenie 10,5 kN.
|
Numer katalogowy 264_ae7293-a8> |
Przekrój poprzeczny przewodu 264_c672a3-16> |
Moment dokręcania 264_4e41b0-b8> |
Minimalna siła zrywająca (MBL) 264_051491-ce> |
Waga kg/szt. 264_e61e7f-52> |
|
SPIN 402 264_8c3759-ff> |
2x(25-35) 264_74f5bf-28> |
44 Nm 264_e790c1-51> |
10,5 kN 264_1b7c93-32> |
0,8 264_eaec33-86> |
|
SPIN 402Z 264_14a11d-fe> |
2x(25-35) 264_2aa08b-bb> |
44 Nm 264_06723b-c1> |
10,5 kN 264_311d64-3c> |
0,8 264_e098b8-1f> |
SPIN403, SPIN404 ● Uchwyt końcowy 4×70-120


SPIN403Z, SPIN404Z ● Uchwyt końcowy 4×70-120


BUDOWA:
• Elementy nośne uchwytu wykonane są ze stali stopowej, cynkowane.
• Elementy podtrzymujące przewód wykonane są z nowej generacji tworzyw sztucznych odpornych na promieniowanie UV oraz wpływy atmosferyczne, które to umieszczono w obudowach wykonanych ze specjalnego, odpornego na korozję aluminium.
ZASTOSOWANIE:
Stosowany w systemach izolowanych elektroenergetycznych w przewodach napowietrznych AsXS(n). Służą do zamocowania tych przewodów do słupów za pomocą standardowych haków.
PARAMETRY TECHNICZNE:
Przekrój poprzeczny przewodu 4×70-120 lub 4×25-70.
|
Numer katalogowy 264_92c22e-37> |
Przekrój poprzeczny przewodu 264_d8a72e-ea> |
Moment dokręcania 264_91ebb2-8e> |
Minimalna siła zrywająca (MBL) 264_f93cc7-67> |
Waga kg/szt. 264_9d7e05-8a> |
|
SPIN 403 264_43a3ac-a5> |
4x(25-70) 264_7abb76-18> |
44 Nm 264_f84cf1-80> |
44 kN 264_139205-20> |
0,91 264_66a2ea-1f> |
|
SPIN 403Z 264_b1614b-2f> |
4x(25-70) 264_2d0e2f-1b> |
44 Nm 264_1fe0b5-75> |
44 kN 264_17ccef-c8> |
0,91 264_5eb92a-40> |
|
SPIN 404 264_24e2ba-6d> |
4x(70-120) 264_d30b06-15> |
44 Nm 264_c1d9a6-9f> |
72 kN 264_24257b-f7> |
1,25 264_2b84a6-67> |
|
SPIN 404Z 264_df322b-28> |
4x(70-120) 264_a0ccad-ef> |
44 Nm 264_5b73e5-34> |
72 kN 264_edc81c-ed> |
1,25 264_f7b8e3-4b> |
Uchwyty przelotowe / przelotowo-narożne
Z224 ● Uchwyt przelotowy uniwersalny 2×25-4×70



BUDOWA:
• Zaczep wykonany jest z blachy stalowej odpowiednio profilowanej, zapewniając wytrzymałość niezbędną dla zamocowania przewodów AsXS(n) od 2x25mm² do 4x70mm².
• Uchwyt jest wyposażany nakrętkę zrywalną.
• Śruba dociskowa M8 – o odpowiedniej wytrzymałości ocynkowana ogniowo.
• Wkładka z tworzywa sztucznego odporna na promieniowanie UV i wpływy atmosferyczne.
ZASTOSOWANIE:
Stosowany do przelotowego zawieszania izolowanych przewodów napowietrznych AsXS(n) o przekrojach 2×25-4×70 mm² na standardowych śrubach hakowych. Stosowany dla załomów 180°-150°.
|
Numer katalogowy 264_90bf23-76> |
Zastosowanie do przewodów AsXS(n) 264_d1669d-ad> |
Minimalna siła zrywająca (MBL) 264_d5b73b-05> |
Waga kg/szt. 264_b9e581-c9> |
|
Z224 264_0ae72d-31> |
od 2×25 do 4×70 264_b27c7e-cc> |
7 kN 264_585707-e1> |
0,31 264_2b84ca-7a> |
Z224M ● Uchwyt przelotowy uniwersalny 2×25-4×120 Mocny



BUDOWA:
• Zaczep wykonany jest z blachy stalowej odpowiednio profilowanej, zapewniając wytrzymałość niezbędną dla zamocowania przewodów AsXS(n) od 2x25mm² do 4x120mm².
• Wkładka z tworzywa sztucznego odporna na promieniowanie UV i wpływy atmosferyczne.
• Śruba dociskowa M8 – o odpowiedniej wytrzymałości ocynkowana ogniowo.
ZASTOSOWANIE:
Stosowany do przelotowego zawieszania izolowanych przewodów napowietrznych AsXS(n) o przekrojach 2×25-4×120 mm² na standardowych śrubach hakowych. Stosowany dla załomów 180°-120°.
|
Numer katalogowy 264_c6c534-db> |
Zastosowanie do przewodów AsXS(n) 264_8fe490-81> |
Minimalna siła zrywająca (MBL) 264_dca864-0c> |
Waga kg/szt. 264_0a41dd-6d> |
|
Z224M 264_db20fc-7e> |
od 2×25 do 4×120 264_998a39-44> |
24 kN 264_e2f425-89> |
0,46 264_5aa2b4-ff> |
Z2050 ● Uchwyt przelotowy 2/4×16-120


BUDOWA:
• Zaczep wykonany jest z nowej generacji tworzywa sztucznego odpornego na promieniowanie UV i wpływy atmosferyczne. Dzięki specjalnym właściwościom
tworzywa oraz odpowiedniej konstrukcji uchwytu przelotowego charakteryzuje się on większą wytrzymałością od tradycyjnie stosowanych uchwytów wykonanych ze stali lub aluminium.
• Kabąk dociskowy wyposażony jest w nakrętkę zrywalną gwarantującą prawidłowy montaż po dokręceniu siłą 5 Nm.
• Otwór mocujący uchwyt przelotowy na śrubie hakowej wyposażony jest w tulejkę wzmacniającą wykonaną ze stali nierdzewnej.
ZASTOSOWANIE:
Stosowany do przelotowego zawieszania izolowanych przewodów napowietrznych ASXS(n) o przekrojach 16-120 mm2 na standardowych śrubach hakowych. Stosowany dla załomów 180°-165°. Dla przewodów 2/4×16-70, dla przewodów 4×95, 4×120 odcinki proste.
|
Numer katalogowy 264_5d0f23-59> |
Zastosowanie do przewodów AsXS(n) 264_64f09e-34> |
Minimalna siła zrywająca (MBL) 264_2bc313-62> |
Waga kg/szt. 264_6f5713-d0> |
|
Z2050 264_ba118b-3e> |
2/4×16-120 264_5f8d4e-39> |
12 kN 264_acf83f-0c> |
0,19 264_578e58-0d> |
Z224P ● Uchwyt przelotowy uniwersalny 2×25-4×120 (przyścienny)



BUDOWA:
• Zaczep wykonany jest z blachy stalowej odpowiednio profilowanej, zapewniając wytrzymałość niezbędną dla zamocowania przewodów AsXS(n) od 2x25mm² do 4×120 mm².
• Wkładka z tworzywa sztucznego odporna na promieniowanie UV i wpływy atmosferyczne.
• Śruba dociskowa M8 – o odpowiedniej wytrzymałości ocynkowana ogniowo.
ZASTOSOWANIE:
Stosowany do przelotowego zawieszania izolowanych przewodów napowietrznych AsXS(n) o przekrojach 2×25-4×120 mm² na powierzchniach płaskich za pomocą kołków rozporowych.
|
Numer katalogowy 264_2e6c75-4d> |
Zastosowanie do przewodów AsXS(n) 264_8c9d93-34> |
Minimalna siła zrywająca (MBL) 264_03c274-12> |
Waga kg/szt. 264_465876-61> |
|
Z224P 264_c14cd3-9d> |
od 2×25 do 4×120 264_aa2d96-93> |
1,5 kN 264_072959-0f> |
0,35 264_2224d3-1c> |
Z226 ● Uchwyt przelotowo-narożny SPIN 320



BUDOWA:
• Korpus – stal cynkowana ogniowo.
• Wkładki gumowe oraz rolki montażowe z tworzywa sztucznego odpornego na promieniowanie UV.
ZASTOSOWANIE:
Stosowany do przelotowego zawieszania izolowanych przewodów napowietrznych AsXS(n) o przekrojach 16-120 mm² w linii prostej lub pod kątem od 0º do 90º na standardowych śrubach hakowych. Najczęściej stosowany na słupach narożnych, w miejscach gdzie przewód zmienia kierunek drogi.
|
Numer katalogowy 264_023dd8-c0> |
Zastosowanie do przewodów AsXS(n) 264_9fc41d-b3> |
Minimalna siła zrywająca (MBL) 264_5621f5-9d> |
Waga kg/szt. 264_aaad9d-be> |
|
Z226 264_730be1-f4> |
4×95+2×35 , 4×120 264_2a03f2-8d> |
60 kN 264_550924-f0> |
1 264_5f7ebb-9a> |
Uchwyty słupa wirowanego z hakiem
S504, S50, S50/263, S506, S502, S502/263 ● Uchwyt słupa wirowanego z hakiem M16 | M20

BUDOWA:
• Pręt stalowy S235: podkładki kwadratowe, nakrętka M16 lub M20.
• Cynkowane ogniowo.
• Gwinty na śrubach hakowych są walcowane.
ZASTOSOWANIE:
Służą do zawieszania uchwytów odciągowych i przelotowych mocujących samonośne przewody izolowane na słupach E i ŻN, na ścianach budynków itp.
|
Numer katalogowy 264_425256-10> |
Nazwa 264_ff5190-11> |
Ø obejmy (od – do) 264_193914-11> |
Waga kg/szt. 264_003d78-7d> |
|
S504 264_f4c28f-50> |
Uchwyt słupa wirowanego z hakiem M16 264_406519-16> |
155-190 mm 264_efefa1-4b> |
1,25 264_356197-78> |
|
S50 264_b7f0cf-74> |
Uchwyt słupa wirowanego z hakiem M16 264_aec7a6-bc> |
200-240 mm 264_3744c3-4f> |
1,44 264_6fecb6-5f> |
|
S50/263 264_f9900e-df> |
Uchwyt słupa wirowanego z hakiem M16 264_c1f261-e6> |
263 mm 264_a1acf9-27> |
1,77 264_78240a-18> |
|
S506 264_1176b8-0f> |
Uchwyt słupa wirowanego z hakiem M20 264_467394-0f> |
155-190 mm 264_ab2938-b5> |
1,53 264_308310-25> |
|
S502 264_551ab4-48> |
Uchwyt słupa wirowanego z hakiem M20 264_34a867-f4> |
200-240 mm 264_f7855d-fd> |
1,65 264_5692e3-55> |
|
S502/263 264_912e86-11> |
Uchwyt słupa wirowanego z hakiem M20 264_ad11bf-6e> |
263 mm 264_096d02-68> |
2,18 264_022c79-8c> |
S505, S501, S501/263, S507, S503, S503/263 ● Uchwyt słupa wirowanego narożny M16 | M20



ZASTOSOWANIE:
Służą do zawieszania uchwytów odciągowych i przelotowych mocujących samonośne przewody izolowane na słupach wirowanych nie posiadających otworów.
Najczęściej znajduje zastosowanie w przypadku wykonywania dwóch lub więcej odgałęzień z jednego słupa.
|
Numer katalogowy 264_4acc65-e1> |
Nazwa 264_40e8d6-d1> |
Ø obejmy (od – do) 264_8e24d6-f3> |
Waga kg/szt. 264_78e7ef-9b> |
|
S505 264_86842d-67> |
Uchwyt słupa wirowanego – narożny z hakiem 2xM16 264_cb1eea-70> |
155-190 mm 264_17f5aa-a5> |
1,64 264_096392-4b> |
|
S501 264_02f608-f1> |
Uchwyt słupa wirowanego – narożny z hakiem 2xM16 264_faa5d2-c7> |
200-240 mm 264_599c16-e5> |
1,76 264_e93509-2f> |
|
S501/263 264_8fda4c-7e> |
Uchwyt słupa wirowanego – narożny z hakiem 2xM16 264_b301e9-39> |
263 mm 264_5d1bb5-d1> |
2,10 264_ab8f3b-54> |
|
S507 264_8866be-fa> |
Uchwyt słupa wirowanego – narożny z hakiem 2xM20 264_7ae5e2-ee> |
155-190 mm 264_b9c850-8f> |
2,08 264_cdfa6f-0e> |
|
S503 264_0e6ae0-69> |
Uchwyt słupa wirowanego – narożny z hakiem 2xM20 264_7d20b2-9d> |
200-240 mm 264_a7d8e7-5e> |
2,15 264_e08f78-be> |
|
S503/263 264_f9ac5e-b2> |
Uchwyt słupa wirowanego – narożny z hakiem 2xM20 264_1900a5-40> |
263 mm 264_fc8540-50> |
2,55 264_a7b312-b2> |
|
Numer katalogowy 264_fc521e-19> |
Nazwa 264_8f02e3-16> |
Ø obejmy (od – do) 264_d46cdd-c5> |
Waga kg/szt. 264_7ac41b-8e> |
|
S505/3 264_6ccaf9-d4> |
Uchwyt słupa wirowanego – narożny z hakiem 3xM16 264_d11b28-d9> |
155-190 mm 264_4d2b66-17> |
1,95 264_d669c5-2a> |
|
S501/3 264_5b566b-b6> |
Uchwyt słupa wirowanego – narożny z hakiem 3xM16 264_21634f-24> |
200-240 mm 264_88a622-17> |
2,00 264_134c1c-5c> |
|
S501/263/3 264_f88eb4-b8> |
Uchwyt słupa wirowanego – narożny z hakiem 3xM16 264_a4244e-72> |
263 mm 264_8b82c8-e9> |
2,35 264_4d3d91-5d> |
|
S507/3 264_fe4d50-2d> |
Uchwyt słupa wirowanego – narożny z hakiem 3xM20 264_1555ec-d9> |
155-190 mm 264_596bb9-28> |
2,63 264_3e22f1-af> |
|
S503/3 264_797f80-fd> |
Uchwyt słupa wirowanego – narożny z hakiem 3xM20 264_4ce6b8-f8> |
200-240 mm 264_fb62fc-81> |
2,70 264_08ab17-1c> |
|
S503/263/3 264_140b65-f0> |
Uchwyt słupa wirowanego – narożny z hakiem 3xM20 264_3f5b5a-57> |
263 mm 264_393faa-86> |
3,10 264_b12ce3-18> |
Sztyce i uchwyty sztycy
WRP ● Sztyca do przyłączy NN


|
Numer katalogowy 264_e876fe-ce> |
Nazwa 264_0e9bb0-b1> |
Waga kg/szt. 264_7b01e5-05> |
|
WRP-1/2/50 264_7a8abe-ab> |
Sztyca WRP-1 Hak M16 2m Ø50 264_b483a5-1e> |
6,80 264_f215f9-6c> |
|
WRP-1/2,5/50 264_5ee0a1-f5> |
Sztyca WRP-1 Hak M16 2,5m Ø50 264_66876e-aa> |
8,10 264_467acf-47> |
|
WRP-1/3/50 264_f37b04-5b> |
Sztyca WRP-1 Hak M16 2,5m Ø50 264_c71075-5e> |
10,40 264_5c2d2b-e2> |
|
WRP1/4/50 264_d1e58b-65> |
Sztyca WRP-1 Hak M16 4m Ø50 264_1a84a5-9a> |
10,10 264_14fd3e-14> |
|
WRP-2/2/60 264_a5dbd5-27> |
Sztyca WRP-2 Hak M16 2m Ø60 264_76fa2c-f1> |
8,90 264_5d6be6-ce> |
|
WRP-2/2,5/60 264_850b87-c3> |
Sztyca WRP-2,5 Hak M16 2m Ø60 264_19bdea-15> |
9,50 264_03417b-a8> |
|
WRP-2/3/60 264_72f552-56> |
Sztyca WRP-2 Hak M16 3m Ø60 264_7e8222-d3> |
12,70 264_89d6b9-63> |
|
WRP-2/4/60 264_8b6632-ff> |
Sztyca WRP-2 Hak M16 4m Ø60 264_4d34d7-88> |
16,50 264_920f33-8f> |
UR-1/300 ● Uchwyt sztycy



|
Numer katalogowy 264_deba51-11> |
Nazwa 264_40ba79-3e> |
Waga kg/szt. 264_9e41d4-33> |
|
UR-1/200 264_0150a3-09> |
Uchwyt sztycy UR-1 L-200 264_77323d-40> |
3,10 264_2f6784-80> |
|
UR-1/300 264_ad9f75-3a> |
Uchwyt sztycy UR-1 L-300 264_953f50-81> |
3,90 264_eb955b-d3> |
|
UR-1/400 264_2abaa3-c2> |
Uchwyt sztycy UR-1 L-400 264_f05e53-46> |
4,70 264_610b7e-54> |
|
UR-1/500 264_4e8928-22> |
Uchwyt sztycy UR-1 L-500 264_90d129-92> |
5,40 264_141e09-26> |
|
UR-1/700 264_50accb-42> |
Uchwyt sztycy UR-1 L-700 264_ebe6cc-2b> |
7,00 264_e47d7f-f3> |
|
UR-1/800 264_51cec8-ca> |
Uchwyt sztycy UR-1 L-800 264_48aabd-fc> |
8,01 264_114a56-45> |
|
UR-1/1000 264_bcb237-2a> |
Uchwyt sztycy UR-1 L-1000 264_14edb2-ae> |
9,70 264_9e29a3-11> |
Uchwyty kabla
PZI-2 ● Poprzecznik zamocowania przewodów izolowanych


BUDOWA:
• Poprzecznik wykonany ze stali S235
• Cynkowany ogniowo
ZASTOSOWANIE:
Służy do zawieszenia uchwytów odciągowych mocujących samonośne przewody izolowane dla linii 2-torowej na żerdzi wirowanej typu E. Stosowany w komplecie z 2 szt. śrub hakowych M20x120 i 2 szt. uchwytów typu SPIN.
UWAGA:
Do mocowania dodatkowo wymagane:
– 1x obejma OB-31 (dla PZi-2),
– 1x obejma OB-34 (dla PZi-2/263).
|
Numer katalogowy 264_e44739-3e> |
Nazwa 264_b96274-31> |
Ø obejmy (od – do) 264_df84ce-14> |
|
PZI-2 264_f70032-e2> |
Poprzecznik zamocowania przewodów izolowanych 264_a6904e-1a> |
200-240 mm 264_90c75e-6b> |
|
PZI-2/263 264_1ab4a2-1d> |
Poprzecznik zamocowania przewodów izolowanych 264_abe01f-d6> |
263 mm 264_02681f-fa> |
PZI-3 ● Poprzecznik zamocowania przewodów izolowanych


BUDOWA:
• Poprzecznik wykonany ze stali S235
• Cynkowany ogniowo
ZASTOSOWANIE:
Służy do zawieszenia uchwytów odciągowych mocujących samonośne przewody izolowane dla linii 2 – torowej oraz uchwytu przelotowego dla przewodu izolowanego na żerdzi wirowanej typu E. Stosowany w komplecie z 2 szt. śrub hakowych M20x120, 2 szt. uchwytów typu SPIN, 1 szt. uchwytu przelotowego i haka oczkowego.
UWAGA:
Do mocowania dodatkowo wymagane:
– 1x obejma O3/A + 2x śruba M16x240 (dla PZi-3),
– 1x obejma OB-34 (dla PZi-3/263).
|
Numer katalogowy 264_093d73-be> |
Nazwa 264_437814-05> |
Ø obejmy (od – do) 264_e36909-b1> |
|
PZI-3 264_d649db-f7> |
Poprzecznik zamocowania przewodów izolowanych 264_38b9f9-d0> |
200-240 mm 264_dc5bc5-8e> |
|
PZI-3/263 264_e5f314-43> |
Poprzecznik zamocowania przewodów izolowanych 264_8d49aa-38> |
263 mm 264_55a0e2-6c> |
PZI-1 ● Poprzecznik zamocowania przewodów izolowanych

BUDOWA:
• Poprzecznik wykonany ze stali S235
• Cynkowany ogniowo
ZASTOSOWANIE:
Służy do zawieszenia uchwytów odciągowych mocujących samonośne przewody izolowane dla linii 2-torowej na żerdzi typu ŻN. Stosowany w komplecie z 2 szt. śrub hakowych M20x120, 2szt. nakrętek z uchem M20 i 4 szt. uchwytów typu SPIN.
|
Numer katalogowy 264_15fc4d-fd> |
Nazwa 264_77fc11-33> |
|
PZI-1 264_f2aeee-77> |
Poprzecznik zamocowania przewodów izolowanych 264_d5802f-fe> |
WZI-2 ● Wysięgnik zamocowania przewodów izolowanych

BUDOWA:
• Wysięgnik wykonany ze stali S235
• Cynkowany ogniowo
ZASTOSOWANIE:
Służy do zawieszenia uchwytów odciągowych mocujących samonośne przewody izolowane dla linii 2-torowej na żerdzi wirowanej typu E.
Stosowany w komplecie z 2 szt. śrub hakowych M20x160, 2szt. nakrętek z uchem M20 i 4 szt. uchwytów typu SPIN.
|
Numer katalogowy 264_6a65de-9e> |
Nazwa 264_64a373-ca> |
Ø obejmy (od – do) 264_7c2524-3f> |
|
WZI-2 264_3f79b1-c1> |
Wysięgnik zamocowania przewodów izolowanych 264_004ee6-d8> |
200-240 mm 264_e9ae84-45> |
|
WZI-2/263 264_6cf4ff-0b> |
Wysięgnik zamocowania przewodów izolowanych 264_a7227d-dd> |
263 mm 264_57a4d9-8c> |
Uchwyty hakowe z płytą na sztycę
UHP12, UHP16 ● Uchwyt hakowy z podstawą


BUDOWA:
• Pręt stalowy – S235
• Blacha stalowa – S235
ZASTOSOWANIE:
Służy do zawieszania uchwytów odciągowych na powierzchniach płaskich np. ścianach budynków. Dystans w uchwytach występuje w zakresie do 70m.
|
Numer katalogowy 264_dc31ad-44> |
Nazwa 264_f8dc6a-ac> |
Fx kN 264_cb6e30-17> |
Fy kN 264_ab7ef0-8e> |
Waga kg/szt. 264_725754-f9> |
|
UHP12 264_b28364-fa> |
Uchwyt hakowy z podstawą M12 264_75e3c7-d8> |
4,5 264_83ce8d-07> |
2,1 264_47c170-fb> |
0,55 264_336341-e3> |
|
UHP16 264_2ed1dd-99> |
Uchwyt hakowy z podstawą M16 264_c921d6-cd> |
7,5 264_5dfbfc-1c> |
3,5 264_ccc43e-7f> |
0,70 264_973406-85> |
UHS12, UHS12(2),UHS16, UHS16(2) ● Uchwyt hakowy na sztycę


BUDOWA:
• Pręt stalowy – S235
• Płaskownik stalowy – S235
• Nakrętka
ZASTOSOWANIE:
Służy do zawieszania uchwytów odciągowych na sztycach budynków.
|
Numer katalogowy 264_b28605-fa> |
Nazwa 264_dfd093-e4> |
Fx kN 264_a367fc-ac> |
Fy kN 264_2f52ce-f3> |
Waga kg/szt. 264_dffbee-f7> |
|
UHS12 264_65e674-46> |
Uchwyt hakowy na sztycę M12 264_293795-1c> |
4,2 264_5dc58d-63> |
1,8 264_640709-67> |
0,75 264_2c9a85-11> |
|
UHS16 264_aff4b8-cf> |
Uchwyt hakowy na sztycę M16 264_cd1b0b-4e> |
7,5 264_6727b1-df> |
3,5 264_547793-9a> |
0,80 264_7dadb5-dc> |
|
UHS12(2) 264_e806f4-f2> |
Uchwyt hakowy na sztycę 2” M12 264_0f41f0-f0> |
4,2 264_f59f64-33> |
1,8 264_4d44ec-df> |
0,63 264_d3e97c-13> |
|
UHS16(2) 264_b0f28d-8a> |
Uchwyt hakowy na sztycę 2” M16 264_e63b84-c9> |
7,5 264_3507fc-cc> |
3,5 264_d1465a-8a> |
0,91 264_e37f15-86> |
WRP-1, WRP-2 ● Sztyca do przyłączy NN


|
Numer katalogowy 264_4ce403-c0> |
Nazwa 264_29ef7d-38> |
Waga kg/szt. 264_670865-53> |
|
WRP-1/2/50 264_d33884-e1> |
Sztyca WRP-1 Hak M16 2m Ø50 264_ce6204-98> |
6,80 264_48d386-64> |
|
WRP-1/2,5/50 264_d7b9e0-14> |
Sztyca WRP-1 Hak M16 2,5m Ø50 264_1298d9-c8> |
8,10 264_f17f72-87> |
|
WRP-1/3/50 264_e10c46-12> |
Sztyca WRP-1 Hak M16 3m Ø50 264_42edb1-ec> |
10,40 264_757e5b-d4> |
|
WRP1/4/50 264_8e5d80-eb> |
Sztyca WRP-1 Hak M16 4m Ø50 264_dbb35a-48> |
10,10 264_7da934-1e> |
|
WRP-2/2/60 264_9968d4-7f> |
Sztyca WRP-2 Hak M16 2m Ø60 264_0805ac-6e> |
8,90 264_b58a56-71> |
|
WRP-2/2,5/60 264_136247-3c> |
Sztyca WRP-2,5 Hak M16 2m Ø60 264_d42c6d-0e> |
9,50 264_4ff7fa-20> |
|
WRP-2/3/60 264_850d0c-28> |
Sztyca WRP-2 Hak M16 3m Ø60 264_68cd95-2c> |
12,70 264_057892-95> |
|
WRP-2/4/60 264_8ebe85-ec> |
Sztyca WRP-2 Hak M16 4m Ø60 264_6933b0-06> |
16,50 264_2ed908-b0> |
UR-1/200,UR-1/300,UR-1/400,UR-1/500,UR-1/700,UR-1/800,UR-1/100 ● Uchwyt do sztycy



|
Numer katalogowy 264_a2a087-63> |
Nazwa 264_b3617b-a8> |
Waga kg/szt. 264_3331a9-8e> |
|
UR-1/200 264_04830f-f6> |
Uchwyt sztycy UR-1 L-200 264_83f99e-7a> |
3,10 264_d27156-58> |
|
UR-1/300 264_187a85-a5> |
Uchwyt sztycy UR-1 L-300 264_31eaa0-42> |
3,90 264_22f008-ba> |
|
UR-1/400 264_c93737-fc> |
Uchwyt sztycy UR-1 L-400 264_a4e05b-f9> |
4,70 264_8ce9f5-53> |
|
UR-1/500 264_6f9bb6-14> |
Uchwyt sztycy UR-1 L-500 264_e4ddc5-0e> |
5,40 264_9a4524-25> |
|
UR-1/700 264_e6c39c-a2> |
Uchwyt sztycy UR-1 L-700 264_484a61-a3> |
7,00 264_3f2123-6f> |
|
UR-1/800 264_71c9f2-2d> |
Uchwyt sztycy UR-1 L-800 264_09d853-99> |
8,01 264_3c2280-3f> |
|
UR-1/1000 264_d752b6-70> |
Uchwyt sztycy UR-1 L-1000 264_6d7750-b5> |
9,70 264_ae2501-26> |
→ Wróć do osprzęt dla linii napowietrznych NN
